

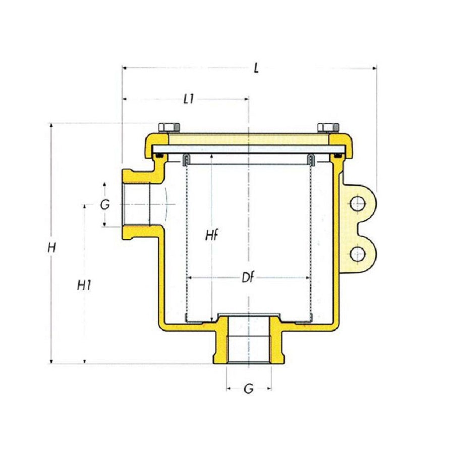
Water Strainer "Ionio" Series
Description
Water strainer "Ionio" series with polycarbonate cover. Nickel Plated Bronze / Black anodized aluminium casting. AISI 316L Stainless Steel inside filter.
Water strainer "Ionio" series with polycarbonate cover.
Nickel Plated Bronze / Black anodized aluminium casting.
AISI 316L Stainless Steel inside filter .
Transparent polycarbonate cover.
Neoprene o-ring.
Prevents seaweed and marine impurities.
Glass slot allows the filter to be seen from the inside.
Pure copper factory with nickel for a longer life.
Maintaining the cleanliness of the liquidator is essential for the operation of security.
| Size water G | 3/4" | 1" | 1-1/4" | 1-1/2" | 2" |
| H | 145 | 145 | 168 | 178 | 215 |
| HI | 94 | 94 | 106 | 111 | 135 |
| LI | 75 | 75 | 85 | 91 | 106 |
| L | 151 | 151 | 167 | 180 | 213 |


